VP/HK mit PS/E und PG/H
Gauging and Sampling Device with accessories
Features
Combination of Devices
The combination is used for sounding and sampling in above-ground vertical or horizontal tanks
Usage of the Combination
Usable for storing non-flammable liquids and, with special equipment, flammable liquids
Bonded Storage Tanks
Also suitable for use in bonded storage tanks
Function and Description
Level Gauging and Sampling Systems for Aboveground Tanks
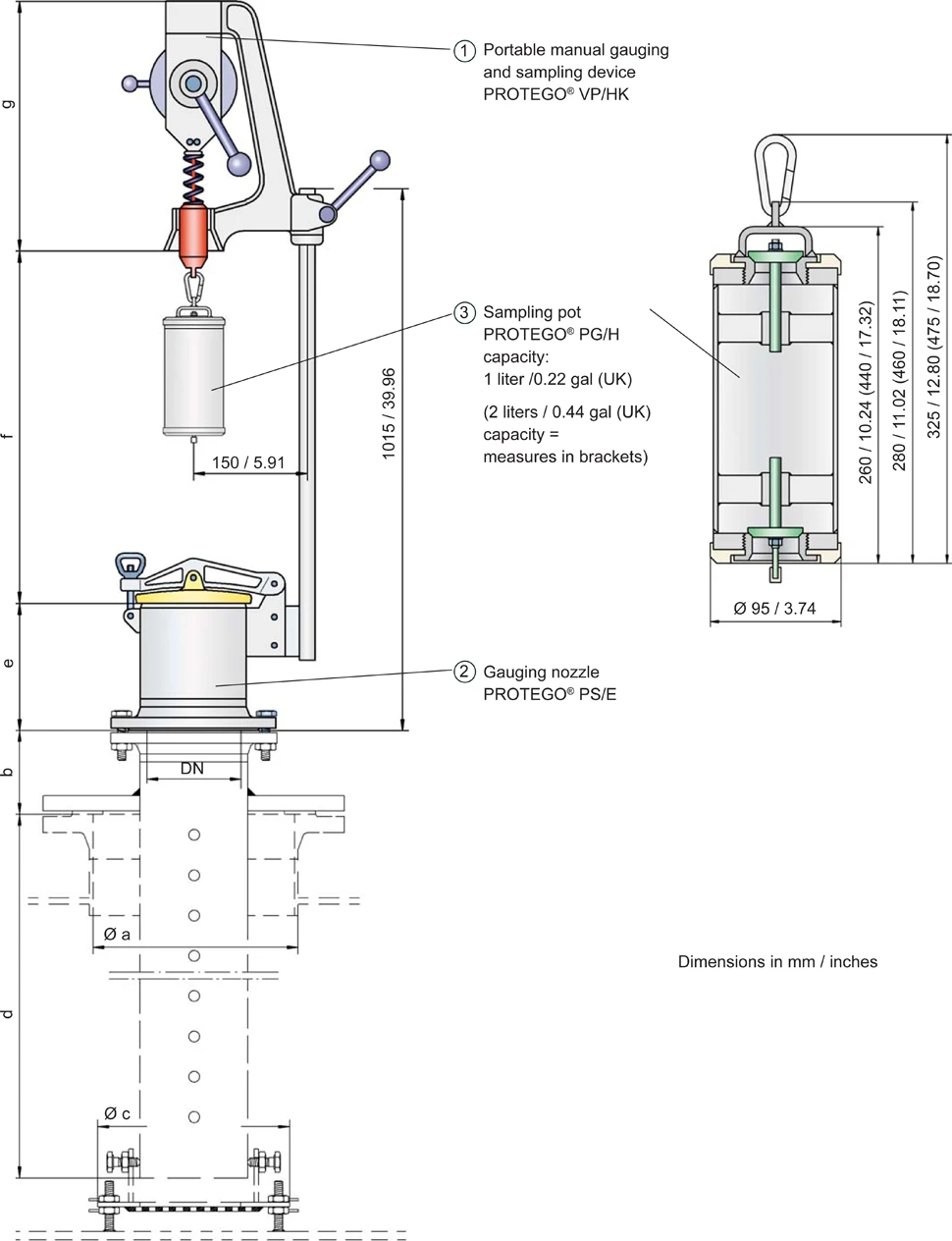
The PROTEGO® gauging and sampling assembly consists of the manual
gauging and sampling device
Gauging and sampling device
A gauging and sampling device is used for gauging the fluid level of storage tanks as well as for sampling from different levels within the stored medium.
PROTEGO® VP/HK (1), the
gauging nozzle
Gauging nozzle
The gauging nozzle is part of the sampling device.
PROTEGO® PS/E (2), the
gauging pipe
Gauging pipe
The gauging pipe is a measuring pipe for liquids.
PROTEGO® PR/0, the
gauge plate
Gauge plate
A gauge plate is used in combination with a gauging and sampling tube.
PROTEGO® PT/S and the
sampling pot
Sampling pot
A sampling device allows for sampling from every filling level of the stored medium in a tank.
PG/H (3). This assembly serves for gauging (determination of the liquid level) and sampling in horizontal or vertical aboveground tanks which store non-flammable or – if equipped appropriately – flammable liquids, this
device
Device
A device is a pipe component that influences the media flow by opening, closing, or partially shutting off the flow channel or by dividing or mixing the media flow.
may also be used for storage tanks approved by customs.
Manual Level Gauging and Sampling Device for Tanks
The portable gauging and sampling device PROTEGO® VP/HK is attached by aa clamp to the fixing rod of the gauging nozzle. The millimeter-scale measuring tape - black anodized - is calibrated by customs.
The gauging pipe PROTEGO® PR/0 is made of an insert-pipe with holes. the slip-on fllange is included in the shipment and has to be welded on during on-site assembly.
Construction and Capacity of the Sampling Container
The gauging nozzle with hinged cover and clip-lock PROTEGO® PS/E is attached to the counter-flange of the
gauging and sampling pipe
Gauging and sampling pipe
A gauging and sampling tube consists of a hanging pipe and an attachment pipe, as well as a sleeve for welding into the cap of the tank nozzle.
. The locking nozzle has the Fixing rod attached for connecting the gauging and sampling device PROTEGO® VP/HK.
The sampling constructed from stainless steel with conductive plastic caps pot PROTEGO® PG/H consists of
housing
Housing
A housing is a solid shell, which surrounds a content, either protecting the content from external influences, or protecting the environment from the content.
with metallic sealing valve discs and snap-hook. Specify the required capacity (1l or 2l / 0.22 gal (UK) or 0.44 gal (UK))
Product Data
Dimensions
| DN | a | b | c | e | f | g |
| 100 / 4" | 150 / 5.91 | 150 / 5.91 | 305 / 12.01 | 300 / 11.81 | 640 / 25.20 | 280 / 11.02 |
| 150 / 6" | 200 / 7.87 | 150 / 5.91 | 375 / 14.76 | 300 / 11.81 | 640 / 25.20 | 280 / 102 |
Dimensions in mm / inches
Measure d must be given with the order
Material
| Measuring tape (VP/HK) | Stainless Steel |
| Lowering weight (VP/HK) | Stainless Steel |
| Crank handle (VP/HK) | Aluminium |
| Frame (VP/HK) | Aluminium |
| Gauging nozzle PS / E | Steel or Stainless Steel |
| Gauging pipe PR / 0 | Steel or Stainless Steel |
| Gauging plate PT / S | Steel or Stainless Steel |
| Sampling pot PG / H | Stainless Steel |
If you have any questions, feedback, or additional input, our team of experts will be glad to support you.











