VP/HK mit PS/E und PG/H
Gauging and Sampling Device with accessories

Features
Combination of Devices
The combination is used for sounding and sampling in above-ground vertical or horizontal tanks
Usage of the Combination
Usable for storing non-flammable liquids and, with special equipment, flammable liquids
Bonded Storage Tanks
Also suitable for use in bonded storage tanks
Function and Description

Level Gauging and Sampling Systems for Aboveground Tanks
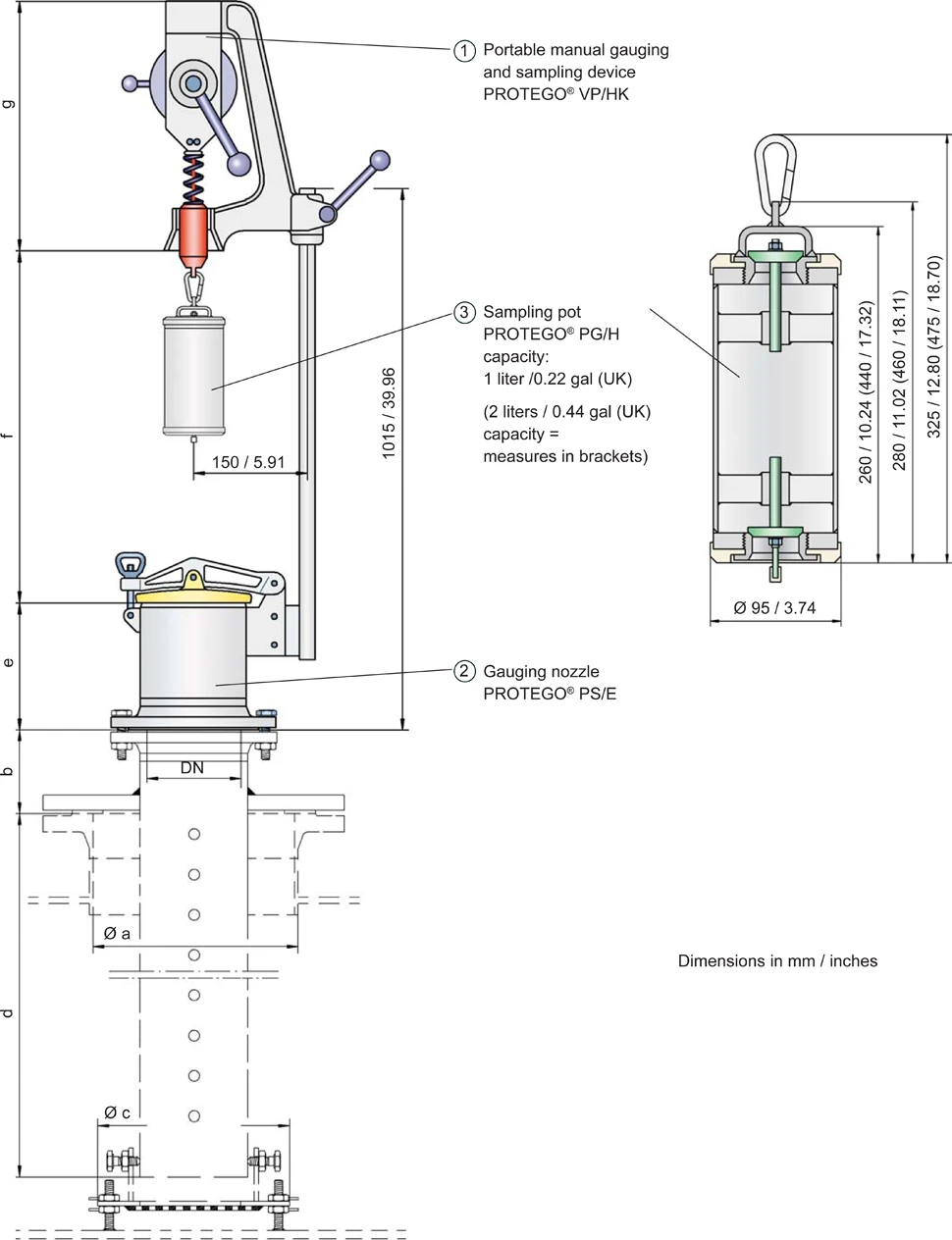
The PROTEGO® gauging and sampling assembly consists of the manual Gauging and Sampling Device PROTEGO® VP/HK (1), the Gauging Nozzle PROTEGO® PS/E (2), the Gauging Pipe PROTEGO® PR/0, the Gauge Plate PROTEGO® PT/S and the Sampling Pot PG/H (3). This assembly serves for gauging (determination of the liquid level) and sampling in horizontal or vertical aboveground tanks which store non-flammable or – if equipped appropriately – flammable liquids, this
device
Appareil
A device is a pipe component that influences the media flow by opening, closing, or partially shutting off the flow channel or by dividing or mixing the media flow.
may also be used for storage tanks approved by customs.
Manual Level Gauging and Sampling Device for Tanks
The Portable Gauging and Sampling Device PROTEGO® VP/HK is attached by aa clamp to the fixing rod of the
gauging nozzle
Jauge
The gauging nozzle is part of the sampling device.
. The millimeter-scale measuring tape - black anodized - is calibrated by customs.
The Gauging Pipe PROTEGO® PR/0 is made of an insert-pipe with holes. the slip-on fllange is included in the shipment and has to be welded on during on-site assembly.
Construction and Capacity of the Sampling Container
The gauging nozzle with hinged cover and clip-lock PROTEGO® PS/E is attached to the counter-flange of the
gauging and sampling pipe
Tube d'évaluation et d'échantillonnage
A gauging and sampling tube consists of a hanging pipe and an attachment pipe, as well as a sleeve for welding into the cap of the tank nozzle.
. The locking nozzle has the Fixing rod attached for connecting the
gauging and sampling device
Dispositif d'évaluation et d'échantillonnage
A gauging and sampling device is used for gauging the fluid level of storage tanks as well as for sampling from different levels within the stored medium.
PROTEGO® VP/HK.
The sampling constructed from stainless steel with conductive plastic caps pot PROTEGO® PG/H consists of
housing
Corps
A housing is a solid shell, which surrounds a content, either protecting the content from external influences, or protecting the environment from the content.
with metallic sealing valve discs and snap-hook. Specify the required capacity (1l or 2l / 0.22 gal (UK) or 0.44 gal (UK))
Product Data
Dimensions
| DN | a | b | c | e | f | g |
| 100 / 4" | 150 / 5.91 | 150 / 5.91 | 305 / 12.01 | 300 / 11.81 | 640 / 25.20 | 280 / 11.02 |
| 150 / 6" | 200 / 7.87 | 150 / 5.91 | 375 / 14.76 | 300 / 11.81 | 640 / 25.20 | 280 / 102 |
Dimensions in mm / inches
Measure d must be given with the order
Material
| Measuring tape (VP/HK) | Stainless Steel |
| Lowering weight (VP/HK) | Stainless Steel |
| Crank handle (VP/HK) | Aluminium |
| Frame (VP/HK) | Aluminium |
| Gauging nozzle PS / E | Steel or Stainless Steel |
| Gauging pipe Gauging pipe The gauging pipe is a measuring pipe for liquids. PR / 0 | Steel or Stainless Steel |
| Gauging plate PT / S | Steel or Stainless Steel |
| Sampling pot PG / H | Stainless Steel |
Si vous avez des questions, des commentaires ou des suggestions, notre équipe d'experts se fera un plaisir de vous aider.


